JavaScriptを有効に設定してからご利用ください。
総合サイトマップはこちら
インバータ FREQROL
注目の製品
製品情報
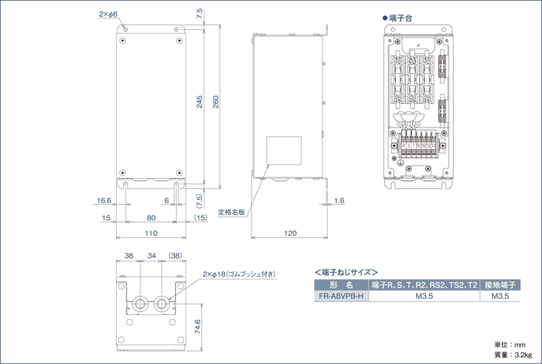
位相検出トランスボックス (FR-A8VPB-H)
専用フィルタコンデンサ (FR-A8BC)
専用フィルタリアクトル (FR-A8BL1)
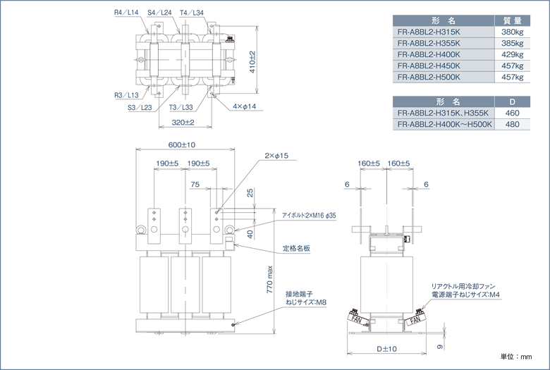
専用PWM制御リアクトル (FR-A8BL2)
専用突入電流抑制部品 (FR-A8MC)
■ 位相検出トランスボックス (FR-A8VPB-H)
■ 専用フィルタコンデンサ (FR-A8BC)
■ 専用フィルタリアクトル (FR-A8BL1)
■ 専用PWM制御リアクトル (FR-A8BL2)
■ 専用突入電流抑制部品 (FR-A8MC)
以下の構成部品が同梱されます。