サーボエンジニアリングソフトウェア MR Configurator2

チューニング

さらに進化したリアルタイムオートチューニング
- 応答性を設定するだけで、すべてのゲインを自動調整。
- 更に性能を追求したい場合は、マニュアル設定にて制御ゲインを微調整できます。
- 調整結果(整定時間やオーバシュート量)を表示します。
ワンタッチ調整

先進の振動抑制機能を、ワンタッチ感覚の操作性で。
- [開始]ボタンをクリックするだけで、負荷慣性モーメント比の推定、ゲイン調整、機械の共振抑制など、サーボ性能を最大限に引き出すための調整を自動で実行します。調整後には整定時間やオーバシュート量で調整結果を確認できます。
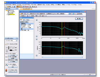
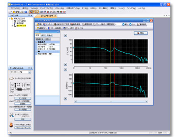
マシンアナライザ

機械特性が測定可能
- サーボモータを自動的に加振させ、機械系の周波数特性を解析します(0.1~4.5kHz)。機械共振抑制フィルタの設定などを支援します。
