- 0.5
- T10/T12
- T18
- 0.5
- 2
- 32-SV
- (3)
- 1.5
Contactors and Motor Starters
Tool for Selecting Power Distribution Control Devices Compatible with Mitsubishi Electric Motors

Select your motor capacity to find the compatible models.
3-phase Motor with Direct-on-Line Starting
For D.O.L starting at 3-phase 1500rpm or 1800rpm squirrel cage motors under AC-3 operating conditions according to IEC609 47-4-1. Fuse is valid for this motor full load current and for max.
6×f.l.c. starting current and max.5secs starting time. The setting current of the heater should be adjusted to the motor full-load current.
Notes
- *1This selection scale made up depending upon the average rating current of motor.
- *2Actual rating current could be high or low for a specific motor. Therefore heater selection on this basis always involves risk. For fully reliable motor protection, select heaters on the basis of full load current rating as show on the motor nameplate.
- *3Type MSO-N600KP and N800KP are not available. Use contactor S-N600 or S-N800 and OLR TH-N600KP with suitable CTs.

Motor rating
| 220V 3-phase 50/60Hz |
|
|
|
|
| 380V 3-phase 50/60Hz |
|
|
|
|
| 415V 3-phase 50Hz |
|
|
|
|
- Fuse rating marked * indicates VDE0660 gF quick-acting type.
- MCCB rating value in parenthesis requires an overload relay with saturable reactors for better protection coordination.
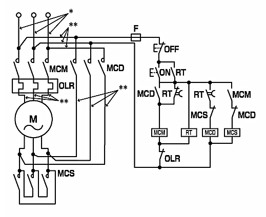
3-phase Motor with Star-delta Starting
For star-delta starting at 1500rpm or 1800rpm 3-phase squirrel cage motors. The selection of contactor MCS can be applied only to this diagram. Fuse is valid for this motor full load current and for max.
2×f.l.c. starting current and max.15secs starting time. The setting current of the heater should be adjusted to 1/√3×f.l.c.
Notes
- *1This selection scale made up depending upon the average rating current of motor.
- *2Actual rating current could be high or low for a specific motor. Therefore heater selection on this basis always involves risk. For fully reliable motor protection, select heaters on the basis of full load current rating as show on the motor nameplate.
- *3Type MSO-N600KP and N800KP are not available. Use contactor S-N600 or S-N800 and OLR TH-N600KP with suitable CTs.

Motor rating
| 220V 3-phase 50/60Hz |
|
|
|
|
| 380V 3-phase 50/60Hz |
|
|
|
|
| 415V 3-phase 50Hz |
|
|
|
|
- *Recommendable size to be connected Line Terminal of MCM to Sorce.
- **Recommendable size to be connected OLR or MCD.