JavaScriptを有効に設定してからご利用ください。
総合サイトマップはこちら
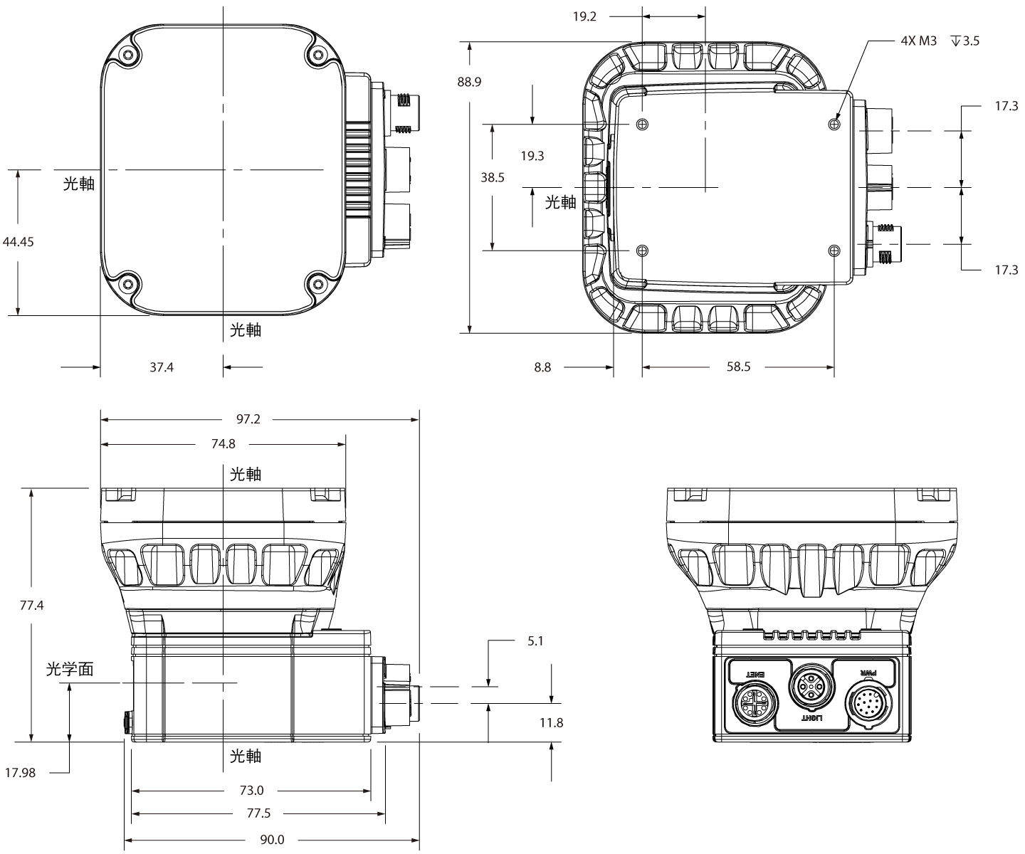
ビジョンセンサ
外形寸法図
製品情報
VS80
(単位:mm)
VS70
本体のみ
(単位:mm)
照明付き
(単位:mm)
VS20
ストレート形状時
(単位:mm)
ライトアングル形状時
(単位:mm)