進相コンデンサ設備
製品特長

- 進相コンデンサ設備
- 三菱電機の進相コンデンサは高圧から低圧まで、
エコロジーな電源環境をおとどけします。
ラインアップ

Ⅰ 高圧進相コンデンサ設備関連機器
| コンデンサ | リアクトル | 放電コイル | 進相コンデンサ設備 | ||
|---|---|---|---|---|---|
| 油入式 | 乾式 | 油入式 | 乾式 | 乾式 | 油入式 |
| KL-8(NH式) | GN-1(SH式) | KR-3、KR-3B | RR-1B | DC-1B | KLB-1B、KLB-SB (NH式) |
| KR-S(低損失) | RR-1S(低損失) | KLB-1L、KLB-SL (低損失) |
|||
![]() |
![]() |
![]() |
![]() |
![]() |
![]() |
Ⅱ 低圧進相コンデンサ設備関連機器
| コンデンサ | リアクトル | リアクトル内蔵コンデンサ設備 | ||
|---|---|---|---|---|
| 油入式 | 乾式 | 乾式 | 乾式 | |
| KK-1(440V)(SH式) | GN-4G(440V)(SH式) | KR-LB | MG-BA(SH式) | MG-PAC(SH式) |
| MG-N(220V)(SH式) | GN-2G(220V)(SH式) | |||
![]() |
![]() |
![]() |
![]() |
![]() |
Ⅲ 低圧進相コンデンサ
| 乾式(負荷直結用) | |
|---|---|
| MG-2(N2形)(SH式) | MG-S、MG-L(E形)(SH式) |
![]() |
![]() |
その他 特定用途コンデンサ
| サージ吸収用コンデンサ | 接地用コンデンサ |
|---|---|
| KS-2(NH式) | KSG-2(NH式) |
![]() |
![]() |
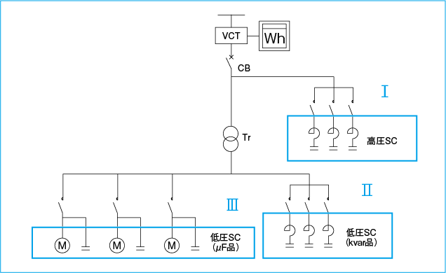
進相コンデンサ設置による効果

進相コンデンサの設置効果は設置位置によって変わり、力率割引制度による基本料金の低減のみであれば高圧側(設置位置①)でよいことになりますが、受配電設備(変圧器)の余裕を増やしたい場合や変圧器損失の低減には低圧側(設置位置②)、更に、電圧降下や線路電力損失の減少までを目的とするならば負荷側(設置位置③)に設置するのがより省エネ効果が大きくなります。
直列リアクトル設置による効果
- 高調波電流の進相コンデンサへの流入を抑制します。
- コンデンサ投入時に、電源や並列コンデンサから流入する大きな突入電流を抑制します。
規格・規程
JIS規格、JEAC規格(内線規程、高圧受電設備規程)
JIS規格において、高圧進相コンデンサ関連設備(コンデンサ・直列リアクトル・放電コイル)の規格が1998年に一本化され、直列リアクトルを取り付けて使用することが原則となっています。同様にJEACの内線規程においても直列リアクトルの設置を勧告しています。
進相コンデンサ設備の容量選定方法
力率改善用コンデンサ容量決定表 <kW負荷に対する百分率>

進相コンデンサの設置容量は、負荷容量、現在(改善前)力率及び目標(改善後)力率によって次の式で算出できます。


上表より係数を読み取ると、kθ=0.42
但しこの値は負荷出力(kW)に対する比率であるので、変圧器容量(kVA)に対する比率はこれに改善前の力率を乗じて0.42×0.8=0.336
この値が、変圧器容量の1/3程度と謳われている根拠になっています。
直列リアクトルの選定
コンデンサと容量を合せてご使用ください。
直列リアクトルの第5調波電流及び電圧ひずみ率許容値
| 直列リアクトルの種類 | 第5調波電流許容値 | 第5調波電圧ひずみ率許容値 | 適用場所 |
|---|---|---|---|
| L=6%(許容電流種別Ⅰ) | 35% | 3.7% | 特別高圧受電設備 |
| L=6%(許容電流種別Ⅱ) | 55% | 5.9% | 高圧配電系に直接接続される設備 |
| L=6%(I5=70%) | 70% | 7.4% | 特に高調波ひずみが顕著な場所 |
| L=13%(許容電流種別Ⅰ) | 35% | 18.2% | 特に高調波ひずみが顕著な場所 |














