JavaScriptを有効に設定してからご利用ください。
総合サイトマップはこちら
配電用油入変圧器
標準付属品・オプション 特長
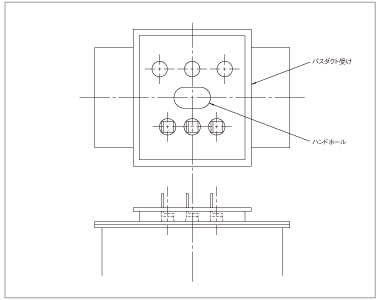
バスダクト受け(L-H)[略称:フランジL-H]
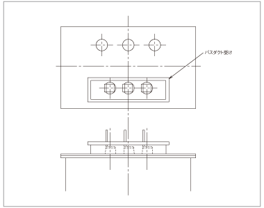
バスダクト受け(L)[略称:フランジL]