パワーデバイス > アプリケーション > モーションコントロール

モーションコントロール

様々な産業機器で使用されているインバーターやサーボドライブ。これらにIGBTモジュールやIPMが使用されています。

三菱電機 モーションコントロール用 パワーモジュールの特長
  • CSTBTTM※1チップを搭載
  • 低損失、低熱抵抗
  • ゲート抵抗によるdv/dtコントロール性向上(第7世代IGBTモジュール)
  • PC-TIM※2塗布可(第7世代製品にオプション対応)
  • ※1:キャリア蓄積効果を利用した当社独自のIGBT
    ※2:Phase Change Thermal Interface Material
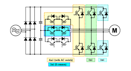
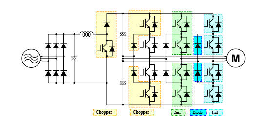
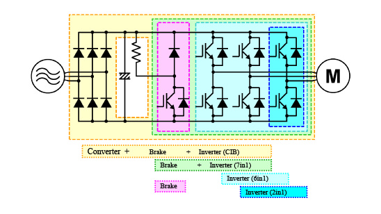
システムブロック図
■2レベルインバーター回路
■マルチレベル(3レベル)インバーター回路(I type)
■マルチレベル(3レベル)インバーター回路(T type)
シリーズ適合表

※シリーズ名をクリックすると詳細をご覧いただけます。

注)HVIC:高耐圧MOSFET/IGBT用ゲートドライバーIC HVICを用いた機器の電流範囲を示しています。

注)HVIC:高耐圧MOSFET/IGBT用ゲートドライバーIC HVICを用いた機器の電流範囲を示しています。

※1 新規設計非推奨

※1 新規設計非推奨

公称電圧:~100V MOSFETモジュール