パワーデバイス > アプリケーション > 再生可能エネルギー

再生可能エネルギー

太陽光や風力などのクリーンなエネルギーを電源系統の電圧及び周波数に電力変換するパワーコンディショナーに、IGBTモジュールやIPMが広く使われています。

三菱電機 再生可能用エネルギー用 パワーモジュールの特長
  • 低損失
  • 豊富なラインアップ(DIPIPM、IGBTモジュール、IPM、5in1 IPM、3レベル用4in1、AC SW用2in1、2in1、1in1、Diode)
  • 3レベル(T-type、I-type)をシンプルに低インダクタンスで構成可能
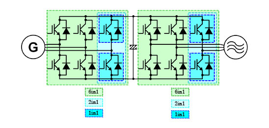
システムブロック図
太陽光発電
■単相出力 2レベルインバーター
■3相出力 3レベルインバーター(T type)
■3相出力 3レベルインバーター(I type)
風力発電
■3相出力 2レベルインバーター(Direct)
シリーズ適合表

※シリーズ名をクリックすると詳細をご覧いただけます。

■2レベルインバーター方式

注)HVIC:高耐圧MOSFET/IGBT用ゲートドライバーIC HVICを用いた機器の電流範囲を示しています。

注)HVIC:高耐圧MOSFET/IGBT用ゲートドライバーIC HVICを用いた機器の電流範囲を示しています。

※1 新規設計非推奨

※1 新規設計非推奨

■3レベルインバーター方式

※1 新規設計非推奨