パワーデバイス > 製品情報 > パワーモジュール > IGBTモジュール 高速仕様
IGBTモジュール 高速仕様

高速仕様IGBT搭載モジュール

多岐にわたるパワエレ機器のアプリケーションで使用条件に特に明確な差がみられるスイッチング周波数に着目しました。高速仕様IGBTモジュールではIGBTチップのトレードオフをチューニングする事によって、高速スイッチング条件で低損失化が可能です。使用条件に適したIGBTモジュールを使用する事で機器の効果を最大限に発揮でき、省エネルギー効果も同時に達成可能となります。

特徴

  • 高周波用途に最適化したチップを搭載、fcターゲット20~60kHz
  • 高速仕様により、高周波スイッチング時の電力損失を一般仕様※1比で約30%低減
  • ※1:一般仕様第7世代Tシリーズと高速仕様第7世代THシリーズの比較

主な用途

  • 医療用電源
  • 溶接機

電力損失比較 - THシリーズIGBT特性の例(fc=30kHz)

ラインアップ


NFHシリーズ(600V)

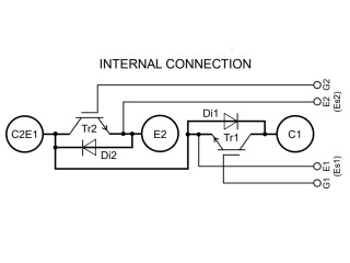
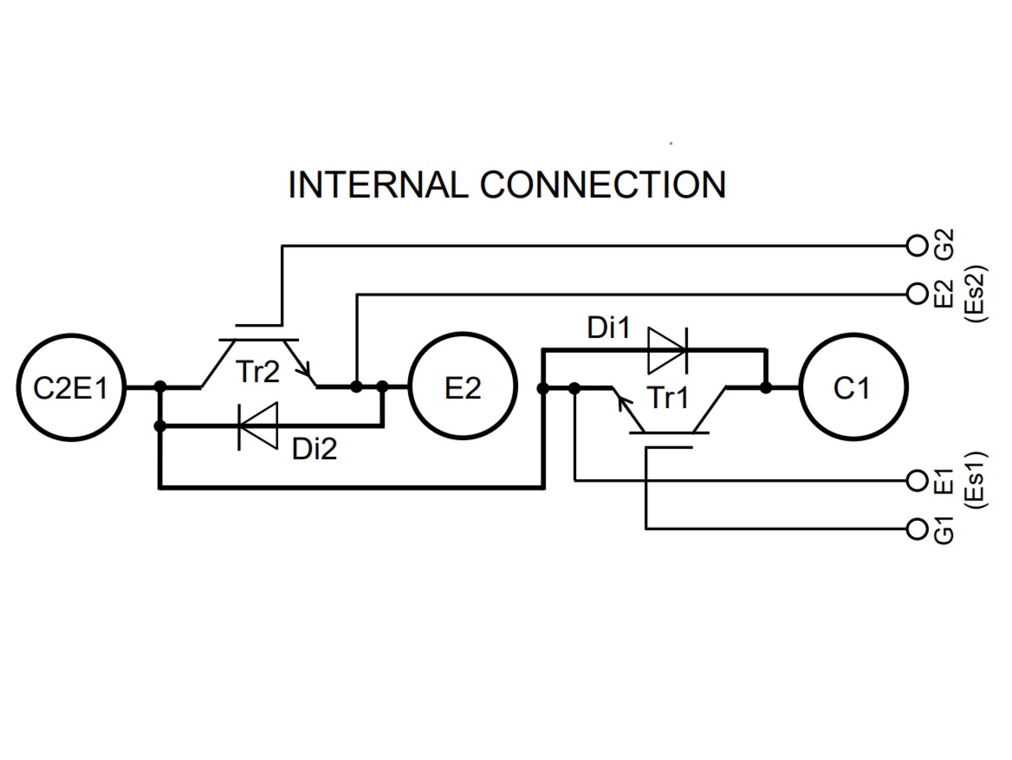
Ic 回路構成 形名 外形サイズ 外形写真
200A 2in1 CM200DU-12NFH 94mm×48mm
300A 2in1 CM300DU-12NFH 108mm×62mm
400A 2in1 CM400DU-12NFH 108mm×62mm
600A 2in1 CM600DU-12NFH 110mm×80mm


THシリーズ(1200V)

Ic 回路構成 形名 外形サイズ 外形写真
200A 2in1 CM200DY-24TH 94mm×48mm
400A 2in1 CM400DY-24TH 108mm×62mm
CM400DU-24TH 110mm×80mm
600A 2in1 CM600DU-24TH 110mm×80mm

ドキュメント

関連製品

SiCパワーモジュール

SiCの特性により、大容量かつ高周波スイッチングのご使用でより高いパフォーマンスが発揮できます。

関連情報

関連製品へのリンク

xxxxxxxxxxxxxxxxxxxxxxxxxxxxxxxxxxxxxxxxxxxxxxxxxxxxxxxxxxxxxxxxxxxxxxxxxxxxxxxxxxxxxxxx

パワー損失シミュレータ

xxxxxxxxxxxxxxxxxxxxxxxxxxxxxxxxxxxxxxxxxxxxxxxxxxxxxxxxxxxxxxxxxxxxxxxxxxxxxxxxxxxxxxxx

動画コンテンツ

xxxxxxxxxxxxxxxxxxxxxxxxxxxxxxxxxxxxxxxxxxxxxxxxxxxxxxxxxxxxxxxxxxxxxxxxxxxxxxxxxxxxxxxx

信頼性情報

xxxxxxxxxxxxxxxxxxxxxxxxxxxxxxxxxxxxxxxxxxxxxxxxxxxxxxxxxxxxxxxxxxxxxxxxxxxxxxxxxxxxxxxx