
2口シリーズ
住宅設備モデル
CS-H217B
製品仕様

CS-H217B
- 1口IH+ラジエントヒーター(グリルなし)
- 定格電圧:単相200V
総消費電力:4.0kW(20A)※2
定格周波数:50-60Hz
| トッププレート幅 | 45cmトップ | ||
|---|---|---|---|
| 形名 | CS-H217B | ||
| 価格(税別・据付費別) | 193,000円 | ||
| トッププレート色 | ブラック | ||
| 電源・ヒーター | ヒーター種類・ 最大火力 |
|
![]() |
| 定格電圧・総消費電力・定格周波数 | 単相200V・4.0kW(20A)※2・50-60Hz | ||
| 火力調整 | 左9段階、右7段階 | ||
| 使いやすさ | 上面操作 | ボタン式 | |
| 火加減クッキリサイン | ● (1色) | ||
| おいしさ | IHヒーター | 揚げ物機能/少量油対応 | ●右IH3段階(160、180、200℃)/●200g(220mL) ※別売部品「専用天ぷら鍋CS-T22」を使用 |
| 快適 | 地震感知機能/害虫忌避※3 | ー/ー | |
| 寸法・質量 | 本体 | 外形寸法(幅×奥行×高さ) | 442×520×93.5mm |
| 質量 | 約8kg | ||
| その他 | 電源コード | 3芯 キャブタイヤケーブル 長さ700mm | |
※1ラジエントヒーターは、ヒーター定格を表示しています。
※2総消費電力量を超えるご使用の場合は、自動的にヒーター火力を調節します。
※3ゴキブリ等の害虫が忌避する塗料を塗っています。
製品画像はイメージです。実際の製品とは色やデザインが異なる場合がありますので、ご了承ください。
このページに掲載している商品の価格には、配送・設置調整・据付費、使用済み商品の引取り費等の費用は含まれておりません。
このページに掲載している商品の価格は、事業者様向けの積算見積価格であり、一般消費者様向けの販売価格ではありません。
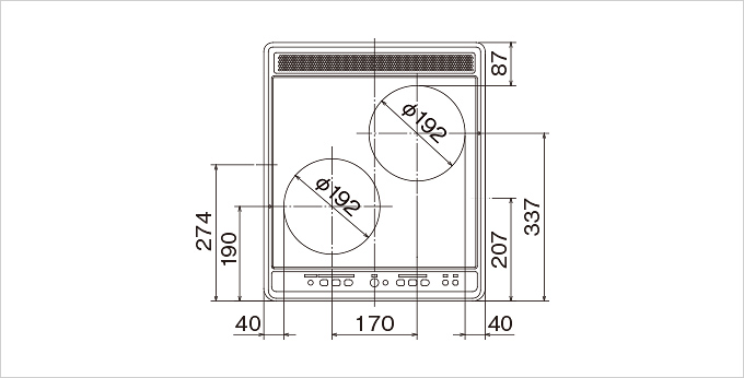
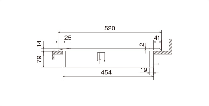
外形図
上面図

正面図

側面図

背面図

(単位:mm)

IHクッキングヒーターは定格電圧200Vなので、接地工事が必要。
接地工事はD種接地工事を行ってください。
単相200V専用コンセントの設置。
電源は必ず漏電しゃ断器を設けたブレーカー付きの専用回路を設置してください(コンセントは専用の接地2P 20A250Vをお使いください)。
※単相200V以外の使用はできません。別電源では、動作保証外となります。
※電源コードを切断して直結しないでください。

