パワーデバイス > 製品情報 > パワーモジュール > HVIGBT Xシリーズdualタイプ
High Voltage IGBT

HVIGBTモジュール X-Series dualタイプ

高耐圧・大電流を必要とする鉄道車両や大型産業機械などのパワーエレクトロニクス機器向けシステムの高効率化・小型軽量化、駆動回路の小型化などの市場要求に応えるため、HVIGBTモジュールをラインアップしています。

特長

  • 第7世代IGBTとRFC※1ダイオード搭載により電力損失を低減
  • 高電流密度を実現し、インバーターの高出力・高効率化に貢献
  • 端子配列の最適化により並列接続が容易となり、多様なインバーター構成・容量に対応
  • 熱抵抗の低減により、インバーターシステムの高信頼性に寄与
  • ※1:Relaxed Field of Cathode:カソード側の電子移動度を最適化した当社独自のダイオード

主な用途

  • 鉄道車両
  • 電力応用
  • 電源・UPS
  • モーションコントロール

多様なインバーター構成・容量への対応例

パッケージの特長

ラインアップ

LV100タイプ:Viso=6kVrms
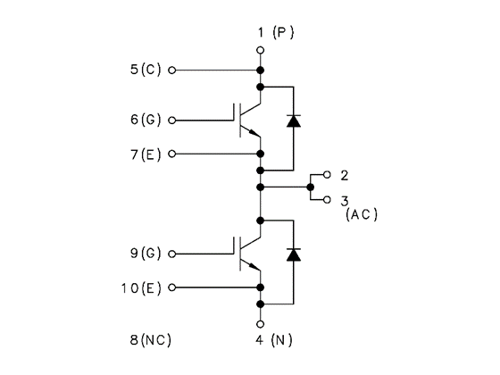
IC (A)回路構成形名外形写真
VCES=1700VVCES=3300V
450-
600-
1200-
HV100タイプ:Viso=10kVrms
IC (A)回路構成形名外形写真
VCES=3300VVCES=4500V
450
600-

ドキュメント

関連製品

HV SiCモジュール

SiC素子を搭載したHVモジュール

Xシリーズ stdタイプ

Xシリーズ のstdタイプ

IGBTモジュール LV100タイプ

鉄道・電力用途のX-Series dualタイプと共通外形パッケージの産業用途モジュール

関連情報

損失シミュレータ

パワーモジュールの損失・温度上昇を簡易的に計算するシミュレーターです。

FAQ

よくある質問に対する回答を掲載しています。