PSF15S92F6

VDSS: 600 V, ±ID: 15 A

超小型DIPIPMと基板共用可能で、簡単にSiCで効率改善するDIPIPM

特長

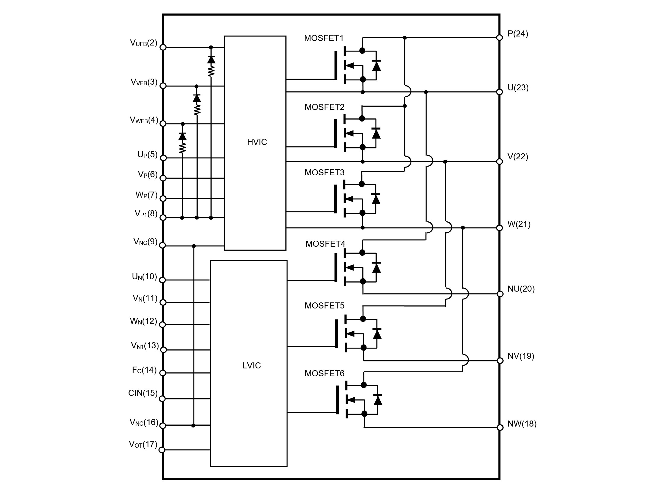
  • P側MOSFET用 : 駆動回路,高圧レベルシフト回路,制御電源電圧低下(UV)保護回路(エラー出力なし)
  • N側MOSFET用 : 駆動回路,制御電源電圧低下(UV)保護回路,短絡電流保護回路(外付けシャント抵抗による)
  • エラー出力 : N側MOSFET用短絡電流(SC)保護回路動作及びN側制御電源UV保護回路動作時エラー(Fo)出力
  • 温度出力 : N側駆動用IC部の温度をアナログ信号で出力
  • 入力インタフェース : 3V, 5V系対応(ハイアクティブ)
  • DIPIPM, SLIMDIP, DIPIPM+, SOPIPM, DIPPFC, CSTBTは三菱電機株式会社の商標です。

主な用途

  • エアコン
  • 洗濯機
  • 冷蔵庫
  • 食洗器
  • 換気扇などのファン
  • ポンプ

主な仕様

項目名 単位
VDSS 600 V
±ID 15 A
絶縁耐力 1500 Vrms
Tch 150
結線 三相インバーター+駆動IC
外形タイプ 超小型
供給状態 量産
UL認証 : UL1557 File E323585

ドキュメント

関連製品

フルSiC超小型DIPIPM

VDSS=600V
ID=15A~25A

超小型DIPIPM

小容量のデファクトスタンダードパッケージ
VCES=600V, IC=5A~35A

SLIMDIP

挿入タイプで最小のパッケージ
VCES=600V, IC=5A~30A

IPM/DIPIPM

駆動回路を搭載したIPM(Intelligent Power Module)、家電など小容量のインバーター機器向けに開発されたトランスファーモールド外形のDIPIPM

関連情報

損失シミュレーター

パワーモジュールの損失・温度上昇を簡易的に計算するシミュレーターです。

FAQ

よくある質問に対する回答を掲載しています。

評価基板

DIPIPMを用いたインバーター機器の開発をサポートします。