超小型DIPIPM

小容量モーター駆動用デファクトスタンダードパッケージ

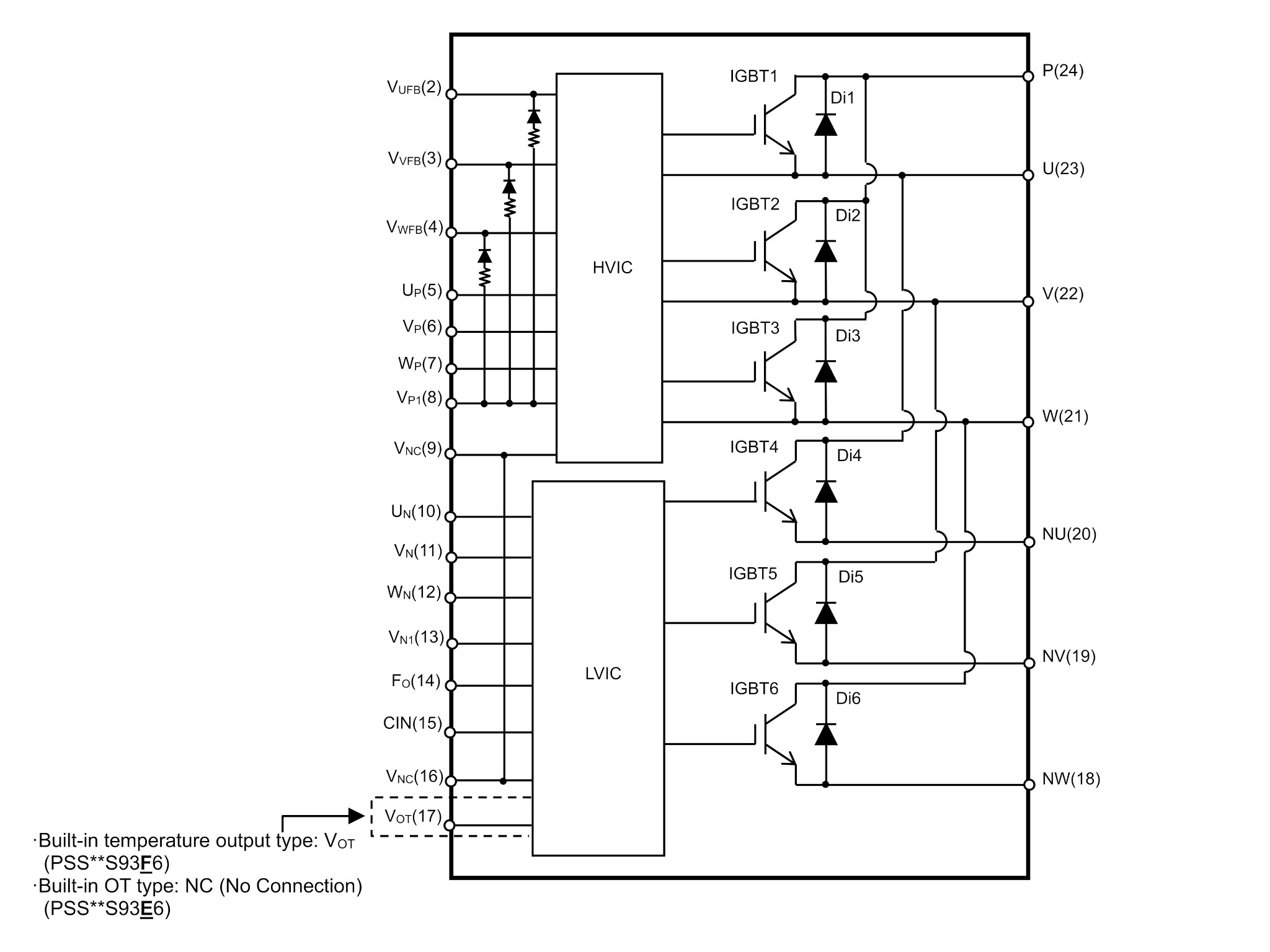
超小型DIPIPM™は、単一制御電源、フォトカプラレスを実現したトランスファーモールドタイプのIPM(インテリジェントパワーモジュール)です。家電やモーションコントロールといった小容量モーター駆動用途に、デファクトスタンダードのパッケージとして採用されています。

特長

  • ピン配列の最適化により、基板設計が容易となり、周辺部品を含めた実装面積の縮小に貢献
  • 高熱伝導絶縁シートにより放熱と絶縁を実現するトランスファーモールド構造
  • 駆動回路や保護回路、レベルシフト回路を搭載するHVIC※1により、CPUやマイコンからの入力信号で直接制御
  • 単一電源化やフォトカプラレスによる基板の小型化や高信頼性が可能
  • BSD※2を内蔵し、外付け部品数の削減が可能
  • ※1:高耐圧IC, High Voltage IC
  • ※2:Bootstrap Diode
DIPIPM、SOPIPM、SLIMDIP、DIPIPM+、DIPPFC、CSTBTは三菱電機株式会社の商標です

主な用途

  • エアコン
  • 洗濯機
  • 冷蔵庫
  • 食洗器
  • 換気扇・小型ファン
  • ポンプ

ラインアップ

Featured Products

超小型DIPIPM Ver.7シリーズ

  • 使用温度範囲の拡大や温度上昇の抑制、ノイズの低減により、システム設計の自由度向上やシステムコスト低減に貢献する新シリーズ
  • 超小型Ver.6シリーズと比べ低ノイズかつ損失同等の低ノイズ7世代CSTBT※1搭載により、ノイズ対策部品のコスト低減可能
  • 最大接合温度を175℃に拡大し、過負荷運転時などの瞬時電流通電に対応
  • チップケース間熱抵抗を低減し、温度上昇を抑制(20、30A品)
  • 端子根元を太くし端子強度の向上と端子温度上昇を抑制
  • 端子配置が従来品と同等のため、置き換えが容易
  • ※1:CSTBT™:キャリア蓄積効果を利用した当社独自のIGBT

ドキュメント

関連製品

SLIMDIP

挿入タイプで最小のパッケージ

SOPIPM

表面実装タイプ(SMD)のパッケージ

関連情報

損失シミュレーター

パワーモジュールの損失・温度上昇を簡易的に計算するシミュレーターです。

FAQ

よくある質問に対する回答を掲載しています。

評価基板

DIPIPMを用いたインバーター機器の開発をサポートします。