PSS05MC1FT

VCES: 1200 V, ±IC: 5 A

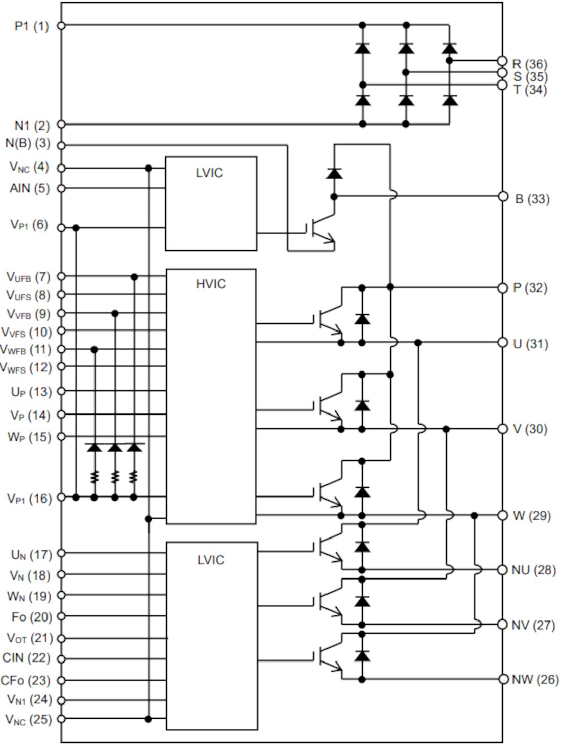
CIBタイプで手間を省き、好適な端子配列のDIPIPM

特長

  • P側IGBT用 : 駆動回路,高圧レベルシフト回路,制御電源電圧低下(UV)保護回路(エラー出力なし),単電源駆動用ブートストラップ方式
  • N側IGBT用 : 駆動回路,制御電源電圧低下(UV)保護回路,短絡電流保護(外付けシャント抵抗による)
  • FO出力 : N側IGBT用短絡電流(SC)保護回路動作時とUV保護回路動作時エラー(FO)出力
  • LVIC温度アナログ出力(VOT)
  • 入力インターフェイス : 5V系対応(ハイアクティブ)
  • DIPIPM, SLIMDIP, DIPIPM+, SOPIPM, DIPPFC, CSTBTは三菱電機株式会社の商標です。

主な用途

  • エアコン
  • 洗濯機
  • 冷蔵庫
  • 食洗器
  • 換気扇などのファン
  • ポンプ

主な仕様

項目名 単位
VCES 1200 V
±IC 5 A
絶縁耐力 2500 Vrms
Tj 150
結線 CIB
外形タイプ DIPIPM+
供給状態 量産
UL認証 : UL1557 File E323585

ドキュメント

関連製品

DIPIPM+

CIB, CIタイプ

大型DIPIPM

600V/1200V共通 大型パッケージ
VCES=600V~1200V, IC=5A~75A

小型DIPIPM

1200V共通パッケージ
VCES=600V~1200V, IC=5A~50A

IPM/DIPIPM

駆動回路を搭載したIPM(Intelligent Power Module)、家電など小容量のインバーター機器向けに開発されたトランスファーモールド外形のDIPIPM

関連情報

損失シミュレーター

パワーモジュールの損失・温度上昇を簡易的に計算するシミュレーターです。

FAQ

よくある質問に対する回答を掲載しています。

評価基板

DIPIPMを用いたインバーター機器の開発をサポートします。