小型DIPIPM

1200V/600V共通の小型パッケージ

定格電圧1200VのDIPIPMとして初めて小型パッケージを採用し、大型DIPIPMと比べて外形サイズを66%に縮小し、家電や小容量インバーターに貢献します。

特長

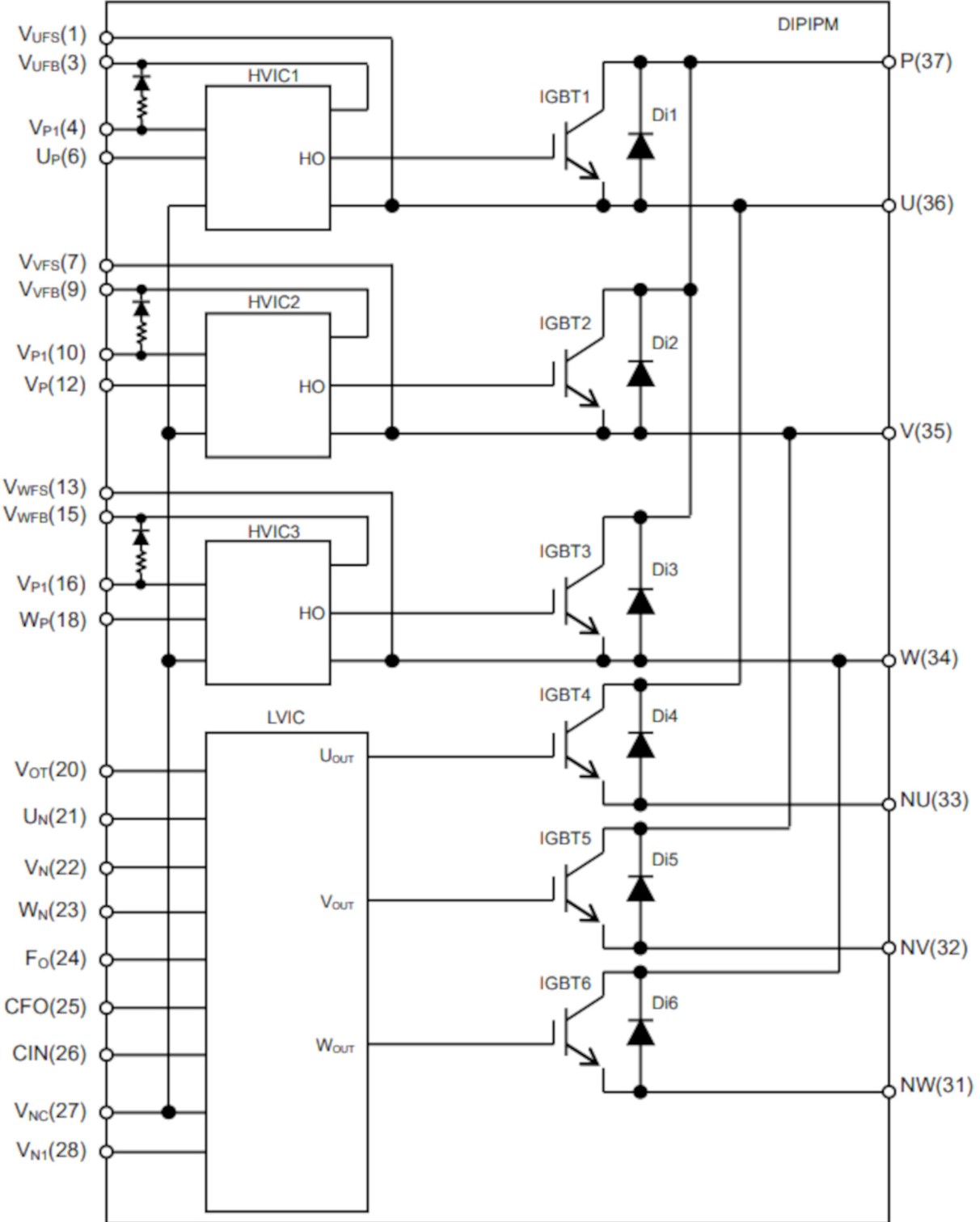
  • 高熱伝導絶縁シートにより放熱と絶縁を実現するトランスファーモールド構造
  • 駆動回路や保護回路、レベルシフト回路を搭載するHVIC※1により、CPUやマイコンからの入力信号で直接制御
  • 単一電源化やフォトカプラレスによる基板の小型化や高信頼性が可能
  • 電流制限抵抗付きBSD※2内蔵タイプをラインアップ
  • ※1:高耐圧IC, High Voltage IC
  • ※2:Bootstrap Diode
DIPIPM、SOPIPM、SLIMDIP、DIPIPM+、DIPPFC、CSTBTは三菱電機株式会社の商標です

主な用途

  • 家電
  • モーションコントロール
  • ファンモーター

ラインアップ

VCES=600V
IC (A)Ver.7-
形名パッケージ形名パッケージ
5--TYPE-A
10--
15--
20TYPE-B
TYPE-B
30
50
パッケージ
VCES=1200V
IC (A)Ver.7-
形名パッケージ形名パッケージ
5TYPE-BTYPE-B
10
15--
25--
パッケージ

Featured Products

600V & 1200V 小型 Ver.7

  • コンパクトながらハイパワーなIPM
  • 動作温度範囲の拡大で設計自由度が大幅に向上 : Tj max175℃ and Tc max125℃
  • 最新の改善版7世代IGBTを搭載
  • 現行製品(Type-B)からの置換え容易 : 端子位置互換、同等機能
  • 600V & 1200V対応の評価基板を提供可能

ドキュメント

関連製品

超小型DIPIPM

小容量のデファクトスタンダードパッケージ

Large DIPIPM

600V/1200V共通 大型パッケージ

関連情報

損失シミュレーター

パワーモジュールの損失・温度上昇を簡易的に計算するシミュレーターです。

FAQ

よくある質問に対する回答を掲載しています。

評価基板

DIPIPMを用いたインバーター機器の開発をサポートします。