DIPIPM+

コンバーター・ブレーキ回路を内蔵したIPMで、部品点数を大幅に削減

コンバーター回路とブレーキ回路の内蔵により外付け部品を削減し、インバーターの小型化に貢献。

特長

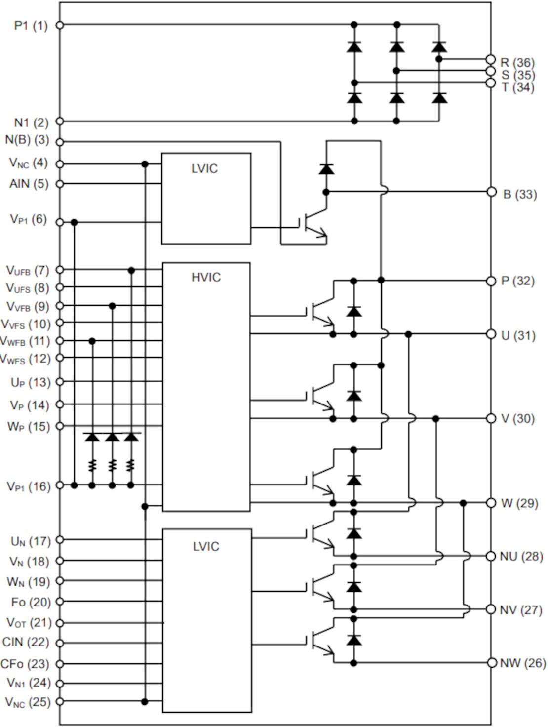
  • インバーター回路と駆動回路を内蔵した当社製品「DIPIPM」に、コンバーター回路とブレーキ回路を加えて1 パッケージに内蔵
  • 当社独自のダイレクトワイヤボンディング技術※1により小型パッケージを実現
  • 電流制限抵抗付きBSD※2、各種保護機能、アナログ温度出力機能などを内蔵保護機能付き制御素子を内蔵したインテリジェントパワー半導体モジュール
  • コンバーター回路とブレーキ回路の内蔵により外付け部品を削減し、インバーターの小型化に貢献
  • 基板上での配線レイアウトの簡素化により、インバーターシステムの容易な設計が可能
  • ※1:IC-IGBT 間を直接ワイヤで接合した技術
  • ※2:Bootstrap Diode。PSSxxMC1Fx / PSSxxNC1Fxに搭載
DIPIPM、SOPIPM、SLIMDIP、DIPIPM+、DIPPFC、CSTBTは三菱電機株式会社の商標です

主な用途

  • モーションコントロール
  • 業務用エアコン

ラインアップ

VCES=600V
IC (A)DIPIPM+
形名回路構成データシート
50
パッケージ
パッケージDIPIPM+大型DIPIPM+
外観
サイズ34 x 85 (mm)43 x114.5 (mm)
特長600V/1200V共通1200Vのみ

ドキュメント

関連製品

小型DIPIPM

600V/1200V共通の最小パッケージ

大型DIPIPM

1200Vフルラインアップ

関連情報

損失シミュレーター

パワーモジュールの損失・温度上昇を簡易的に計算するシミュレーターです。

FAQ

よくある質問に対する回答を掲載しています。

評価基板

DIPIPMを用いたインバーター機器の開発をサポートします。