パワーデバイス > 製品情報 > IPM/DIPIPM > SIC_SUPER_MINI_DIPIPM
SiC DIPIPM/SiC DIPPFC

SiC MOSFETを搭載した既存パッケージ

SiC-MOSFET搭載により電力損失の低減、システムの小型化に貢献します。

特長

  • SiC-MOSFET搭載によりオン抵抗の低減化を実現し、従来品※1に比べ電力損失を70%以上低減(SiC DIPIPM)
  • リカバリー電流の低減で低ノイズなシステムが可能
  • 当社独自技術の高Vth SiC-MOSFET搭載により、ゲート駆動用の負バイアス回路が不要
  • SiCチップの搭載により高周波スイッチング(40kHzまで)に対応可能となり、リアクトルやヒートシンクなどの周辺部品の小型化によるコスト削減に貢献(SiC DIPPFC)
  • 従来品※1と同一パッケージおよびピン配置の互換性を確保し、本製品に切り替えるだけで性能が向上(SiC DIPIPM)
  • 超小型DIPIPMと同一パッケージのため、インバーター部とヒートシンクを共用する際に高さ合わせのスペーサーが不要となり実装が容易(SiC DIPPFC)
  • ※1:当社製超小型DIPIPMシリーズ
DIPIPM、SOPIPM、SLIMDIP、DIPIPM+、DIPPFC、CSTBTは三菱電機株式会社の商標です

主な用途

  • エアコン
  • 小容量インバーター
  • 小容量サーボ

ラインアップ

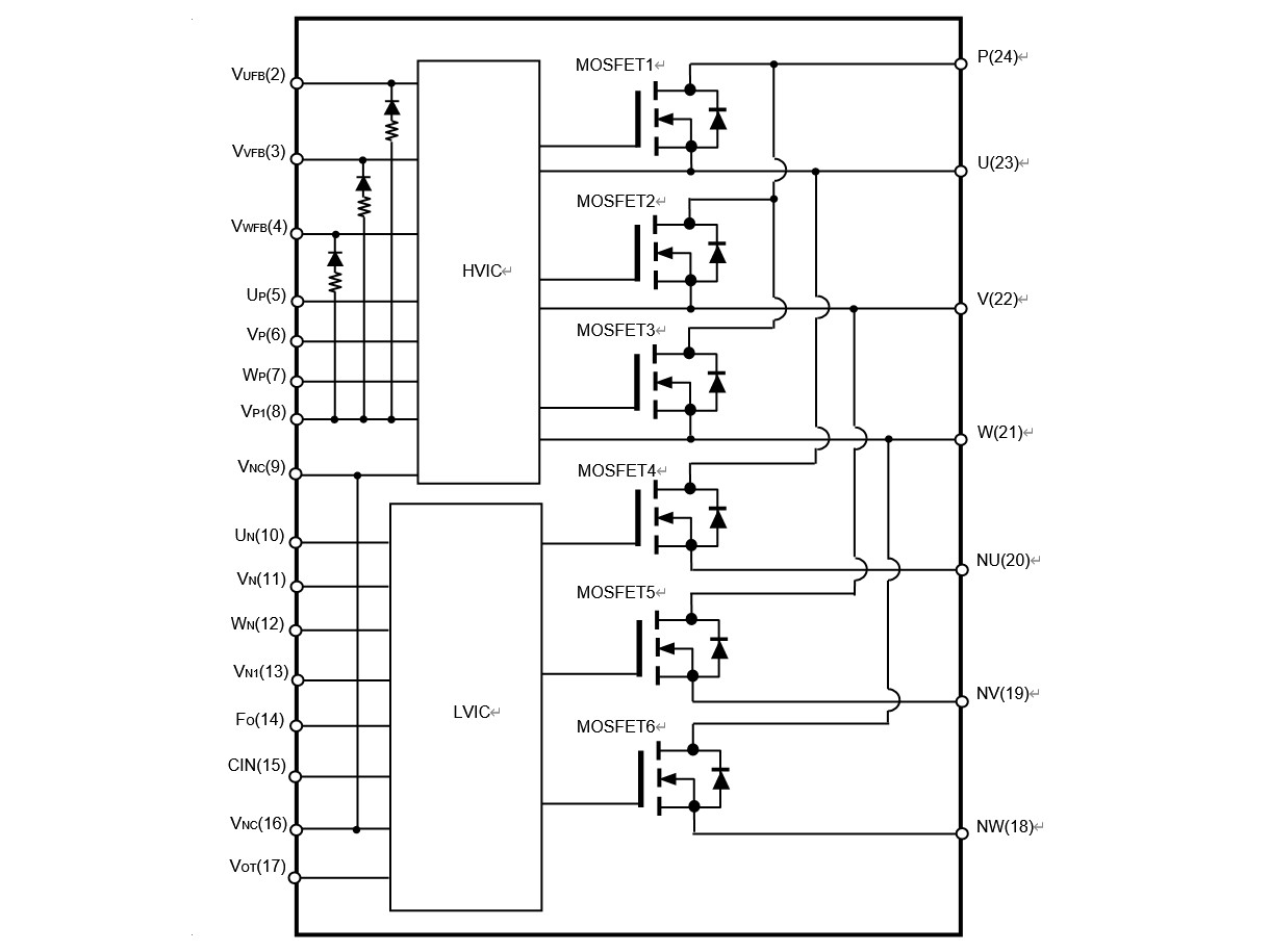
SiC DIPIPM
VDSSID (A)形名回路構成
60015三相インバーター+駆動IC
25
SiC DIPPFC
VDSSIi (Arms)形名回路構成
600302相昇圧回路(PFC)+駆動IC

Featured Products

DIPIPM: SiC MOSFETの利点

特性調整済みの低ノイズSiCがシステムの高周波化や高効率化を後押し

  • 損失比較

  • リカバリー電流の低減によりノイズ低下

DIPPFC: SiCチップ採用による改善効果

DC損失とリカバリー損失の両方を削減 ⇒ システム効率を改善

  • 静特性

  • 損失比較

ドキュメント

関連製品

SLIMDIP

より小型で使いやすく

超小型DIPIPM

小容量のデファクトスタンダードパッケージ

関連情報

損失シミュレーター

パワーモジュールの損失・温度上昇を簡易的に計算するシミュレーターです。

FAQ

よくある質問に対する回答を掲載しています。

評価基板

DIPIPMを用いたインバーター機器の開発をサポートします。