Compact DIPIPM

従来の小型DIPIPMと同等の絶縁距離を確保したパッケージ

小型DIPIPMと比べて底面積を大幅に縮小し、同等の絶縁距離を確保。-40℃動作による寒冷地対応を実現し、空調機器の設計自由度向上と環境負荷低減に貢献するパワー半導体モジュール。

特長

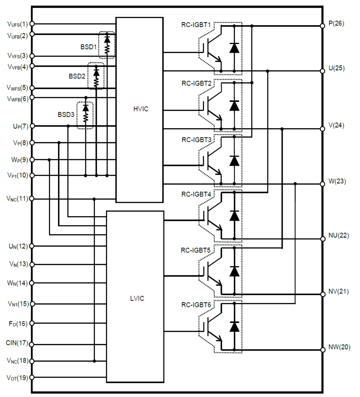
  • RC-IGBT※1の搭載により、小型DIPIPMシリーズに比べ底面積を約53%縮小
  • 高熱伝導絶縁シートにより放熱と絶縁を実現するトランスファーモールド構造
  • 従来の小型DIPIPMより小型化を実現し、インバーター基板の省スペース化
  • アーム短絡保護のためのインターロック機能搭載による、インバーター基板設計の簡略化
  • 連続動作温度下限-40℃対応による、寒冷地を含む幅広い使用環境への対応
  • ※1:Reverse Conducting IGBT
DIPIPM、SOPIPM、SLIMDIP、DIPIPM+、DIPPFC、CSTBTは三菱電機株式会社の商標です

主な用途

  • 家電
  • モーションコントロール
  • ファンモーター

ラインアップ

VCES=600V
IC (A)形名データシート
30
50

Featured Products

VCES=600V
シリーズ名Compact DIPIPM シリーズ

小型DIPIPM Ver.7シリーズ

定格電流/定格電圧30A、50A/600V20A、30A、50A/600V
素子RC-IGBTIGBT+FWD
連続動作温度 Tjop- 40 ~ 150℃-30 ~ 150℃
ケース温度 Tc- 40 ~ 125℃-30 ~ 125℃
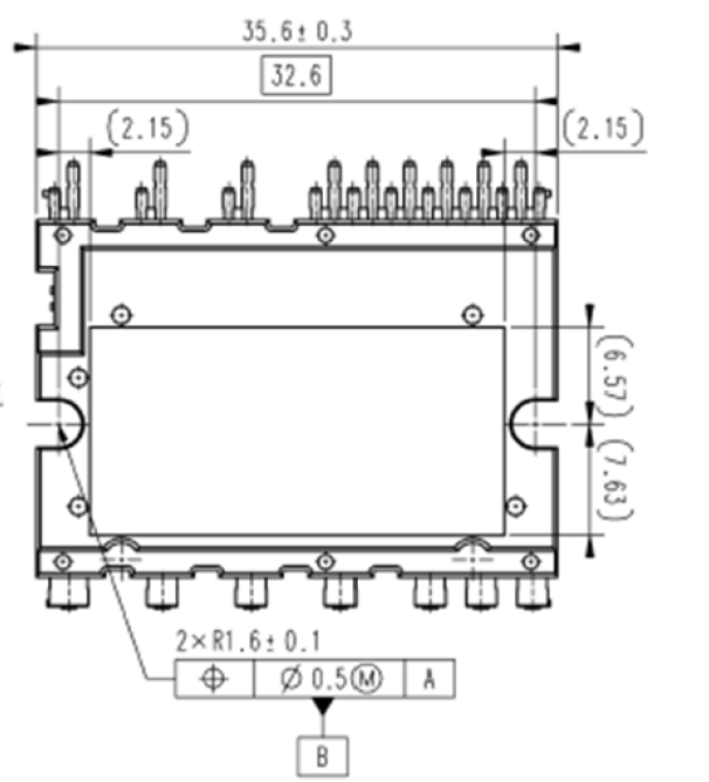
上から見た写真
外形サイズ (W x D x H)35.6 x 24.4 x 5.4mm52.5 x 31 x 5.6mm

ドキュメント

関連製品

超小型DIPIPM

小容量のデファクトスタンダードパッケージ

小型DIPIPM

1200V共通パッケージ

関連情報

シミュレータ

パワーモジュールを簡易的に計算するシミュレータです。

FAQ

よくある質問に対する回答を掲載しています。

評価基板

DIPIPMを用いたインバーター機器の開発をサポートします。